U.S. flag An official website of the United States government.
Official websites use .gov

A .gov website belongs to an official government organization in the United States.

Secure .gov websites use HTTPS

A lock ( ) or https:// means you've safely connected to the .gov website. Share sensitive information only on official, secure websites.

i

A Model of the Recruitment-Derecruitment and Volume of Lung Units in an Excised Lung as it is Inflated-Deflated Between Minimum and Maximum Lung Volume

Supporting Files


Details

  • Alternative Title:
    J Biomech Eng
  • Personal Author:
  • Description:
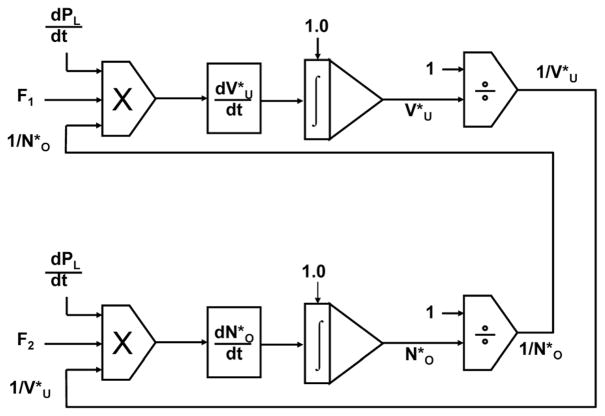
    The role of the recruitment-derecruitment of small structures in the lung (lung units) as the lung increases and decreases in volume has been debated. The objective of this study was to develop a model to estimate the change in the number and volume of open lung units as an excised lung is inflated-deflated between minimum and maximum lung volume. The model was formulated based on the observation that the compliance of the slowly changing quasi-static pressure-volume (P-V) curve of an excised rat lung can differ from the compliance of a faster changing small sinusoidal pressure volume perturbations superimposed on the curve. In those regions of the curve where differences in compliance occur, the lung tissue properties exhibit nonlinear characteristics, which cannot be linearized using "incremental" or "small signal" analysis. The model attributes the differences between the perturbation and quasi-static compliance to an additional nonlinear compliance term that results from the sequential opening and closing of lung units. Using this approach, it was possible to calculate the normalized average volume and the normalized number of open units as the lung is slowly inflated-deflated. Results indicate that the normalized average volume and the normalized number of open units are not linearly related to normalized lung volume, and at equal lung volumes the normalized number of open units is greater and the normalized average lung unit volume is smaller during lung deflation when compared to lung inflation. In summary, a model was developed to describe the recruitment-derecruitment process in excised lungs based on the differences between small signal perturbation compliance and quasi-static compliance. Values of normalized lung unit volume and the normalized number of open lung units were shown to be nonlinear functions of both transpulmonary pressure and normalized lung volume.
  • Subjects:
  • Source:
    J Biomech Eng. 2013; 135(3):34503.
  • Pubmed ID:
    24231819
  • Pubmed Central ID:
    PMC4504243
  • Document Type:
  • Funding:
  • Volume:
    135
  • Issue:
    3
  • Collection(s):
  • Main Document Checksum:
    urn:sha256:2ce54da5d12e5ee6f67503a374ee64e5e7d7aa430c59c06b09b5d3098daa42da
  • Download URL:
  • File Type:
    Filetype[PDF - 1.03 MB ]
ON THIS PAGE

CDC STACKS serves as an archival repository of CDC-published products including scientific findings, journal articles, guidelines, recommendations, or other public health information authored or co-authored by CDC or funded partners.

As a repository, CDC STACKS retains documents in their original published format to ensure public access to scientific information.