U.S. flag An official website of the United States government.
Official websites use .gov

A .gov website belongs to an official government organization in the United States.

Secure .gov websites use HTTPS

A lock ( ) or https:// means you've safely connected to the .gov website. Share sensitive information only on official, secure websites.

i

Evaluation of low-cost electro-chemical sensors for environmental monitoring of ozone, nitrogen dioxide, and carbon monoxide

Supporting Files
File Language:
English


Details

  • Alternative Title:
    J Occup Environ Hyg
  • Personal Author:
  • Description:
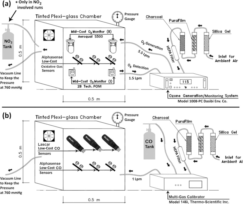
    Development of an air quality monitoring network with high spatio-temporal resolution requires installation of a large number of air pollutant monitors. However, state-of-the-art monitors are costly and may not be compatible with wireless data logging systems. In this study, low-cost electro-chemical sensors manufactured by Alphasense Ltd. for detection of CO and oxidative gases (predominantly O| and NO|) were evaluated. The voltages from three oxidative gas sensors and three CO sensors were recorded every 2.5 sec when exposed to controlled gas concentrations in a 0.125-m| acrylic glass chamber. Electro-chemical sensors for detection of oxidative gases demonstrated sensitivity to both NO| and O| with similar voltages recorded when exposed to equivalent environmental concentrations of NO| or O| gases, when evaluated separately. There was a strong linear relationship between the recorded voltages and target concentrations of oxidative gases (R| > 0.98) over a wide range of concentrations. Although a strong linear relationship was also observed for CO concentrations below 12 ppm, a saturation effect was observed wherein the voltage only changes minimally for higher CO concentrations (12-50 ppm). The nonlinear behavior of the CO sensors implied their unsuitability for environments where high CO concentrations are expected. Using a manufacturer-supplied shroud, sensors were tested at 2 different flow rates (0.25 and 0.5 Lpm) to mimic field calibration of the sensors with zero air and a span gas concentration (2 ppm NO2 or 15 ppm CO). As with all electrochemical sensors, the tested devices were subject to drift with a bias up to 20% after 9 months of continuous operation. Alphasense CO sensors were found to be a proper choice for occupational and environmental CO monitoring with maximum concentration of 12 ppm, especially due to the field-ready calibration capability. Alphasense oxidative gas sensors are usable only if it is valuable to know the sum of the NO| and O| concentrations.
  • Subjects:
  • Source:
    J Occup Environ Hyg. 15(2):87-98
  • Pubmed ID:
    29083958
  • Pubmed Central ID:
    PMC6541011
  • Document Type:
  • Funding:
  • Volume:
    15
  • Issue:
    2
  • Collection(s):
  • Main Document Checksum:
    urn:sha256:7bebb33d49ecea7bbda9aad23185d1cecfcc202fff64cd033e8810e0f2e80d1e
  • Download URL:
  • File Type:
    Filetype[PDF - 936.03 KB ]
File Language:
English
ON THIS PAGE

CDC STACKS serves as an archival repository of CDC-published products including scientific findings, journal articles, guidelines, recommendations, or other public health information authored or co-authored by CDC or funded partners.

As a repository, CDC STACKS retains documents in their original published format to ensure public access to scientific information.